- Material: Acero de cementación.
- Tratamiento: Cementado y templado.
- Dureza: HRc 60 ÷ 62.
- Tolerancia interior F7.
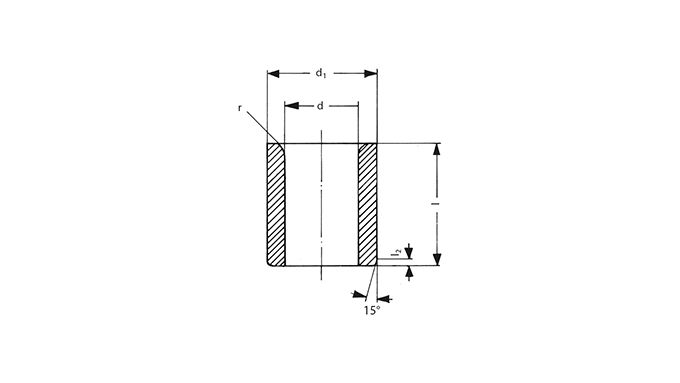
Casquillo DIN179
Descripción
Principales características
- Material: Acero de cementación.
- Tratamiento: Cementado y templado.
- Dureza: HRc 60 ÷ 62.
- Tolerancia interior F7.
Tabla de medidas


